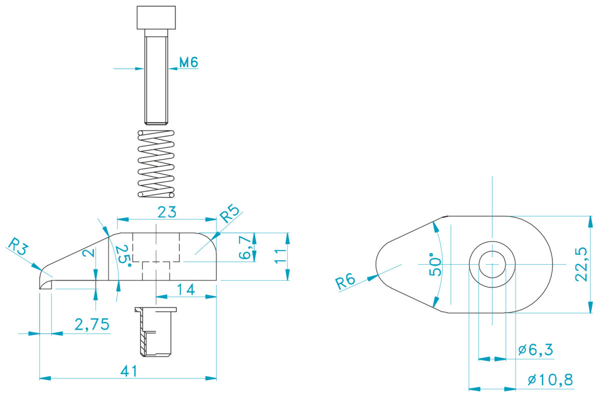
Bloccapannelli B40FG-0000

Ridotti nelle dimensioni e dal piacevole design, i blocca-pannelli B40 consentono di fissare dei pannelli che devono essere rimossi con estrema semplicità e rapidità. La molla, di cui sono dotati, consente di comprimere il pannello e allo stesso tempo di ruotare il blocca-pannello stesso, in caso di rimozione.

  • Rimozione del pannello estremamente semplice e rapida
  • Dotati di molla per la compressione del pannello
  • Dimensioni ridotte e design piacevole